| Thread size | ST2.9 | ST3.5 | ST4.2 | ST4.8 | ST5.5 | ST6.3 | ||||
| P | thread pitch | 1.1 | 1.3 | 1.4 | 1.6 | 1.8 | 1.8 | |||
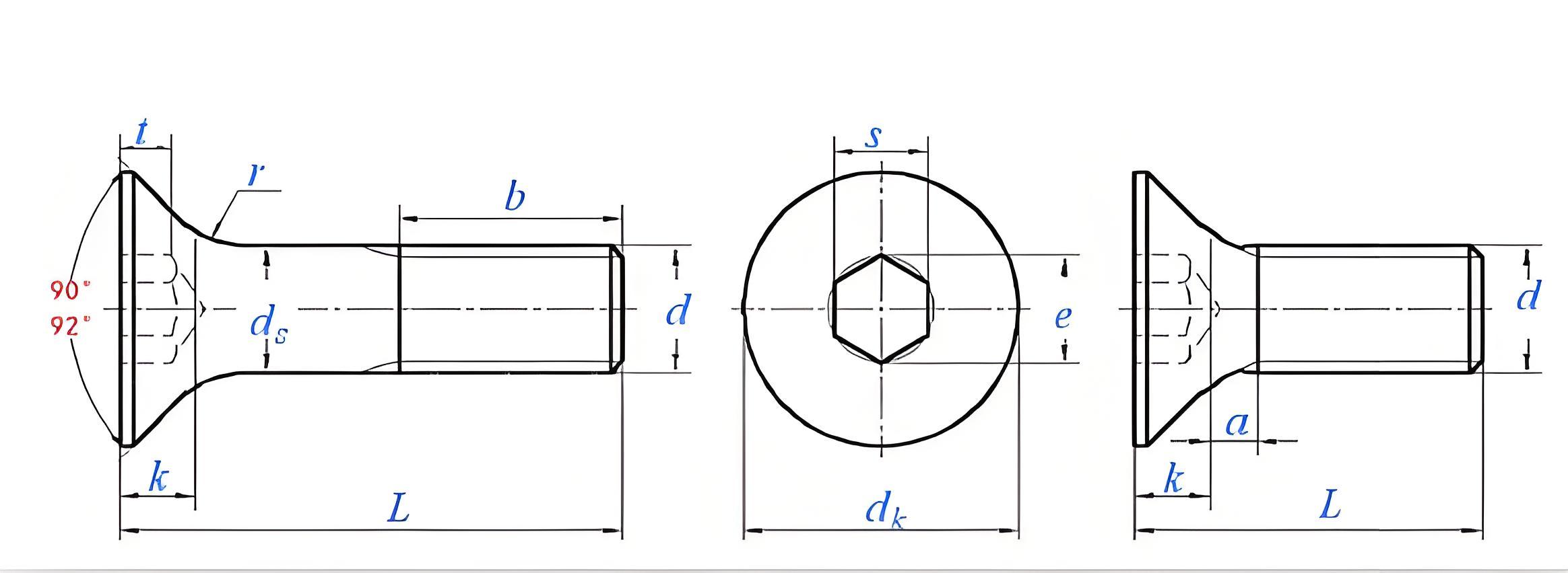
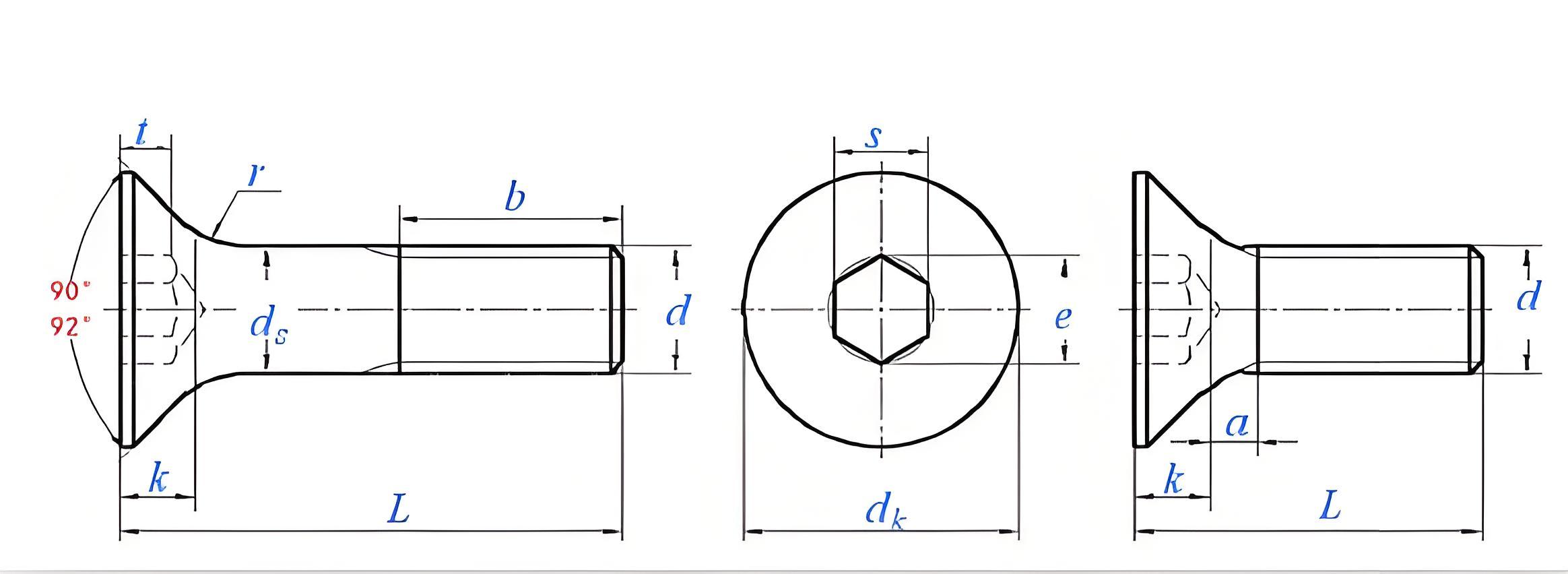
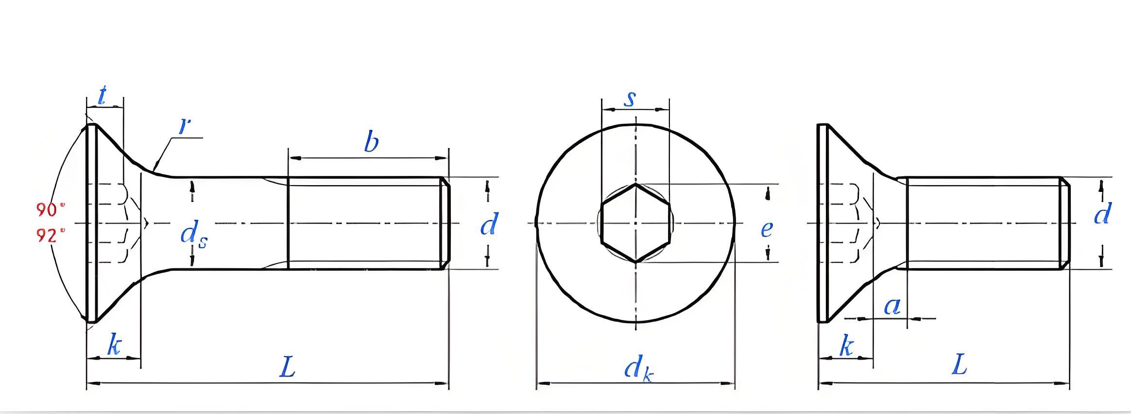
| dk | Theory | Max | 6.3 | 8.2 | 9.4 | 10.4 | 11.5 | 12.6 | ||
| Actua | Max | 5.5 | 7.3 | 8.4 | 9.3 | 10.3 | 11.3 | |||
| Min | 5.2 | 6.9 | 8 | 8.9 | 9.9 | 10.9 | ||||
| k | Max | 1.7 | 2.35 | 2.6 | 2.8 | 3 | 3.15 | |||
| r | Min | 1.2 | 1.4 | 1.6 | 2 | 2.2 | 2.4 | |||
| y | reference value | C | 2.6 | 3.2 | 3.7 | 4.3 | 5 | 6 | ||
| F | 2.1 | 2.5 | 2.8 | 3.2 | 3.6 | 3.6 | ||||
| R | - | 2.7 | 3.2 | 3.6 | 4.3 | 5 | ||||
| SlotNo | 10 | 15 | 20 | 25 | 25 | 30 | ||||
| A | reference value | 2.8 | 3.35 | 3.95 | 4.5 | 4.5 | 5.6 | |||
| t | Max | 0.91 | 1.3 | 1.58 | 1.78 | 2.03 | 2.42 | |||
| Min | 0.65 | 1 | 1.14 | 1.39 | 1.65 | 2.02 | ||||